
Features
-Oscillation Frequency: Available in various standard frequencies depending on the application requirements, such as 4 MHz, 8 MHz, 12 MHz, etc.
-Stability: Provides stable oscillation with low frequency drift over temperature changes and aging, ensuring reliable performance over time.
-Accuracy: Offers high accuracy in frequency output, crucial for precise timing and synchronization in electronic circuits.
-Temperature Compensation: Some models include temperature-compensated cuts or materials to minimize frequency variations across temperature ranges.
Applications
1.Microcontrollers and Microprocessors
2.Real-Time Clocks (RTCs)
3.Communication Equipment
4.Consumer Electronics
Specifications
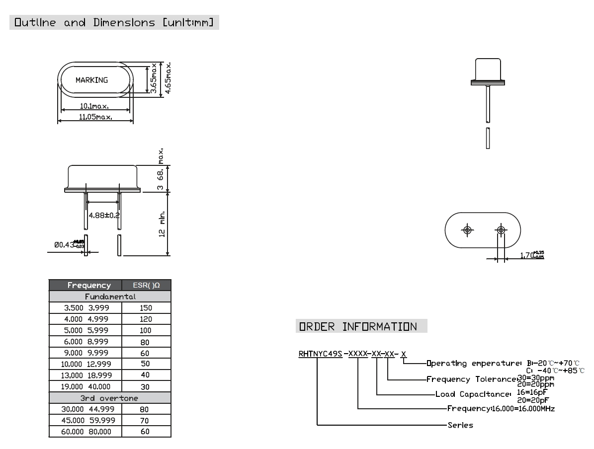
Dimensions (11.05x4.65x3.50)
Nominal frequency range:3.500~40.000 MHz,30.000~80.000 MHz
Crystal cut:Fundamental [AT-cut],3rd overtone [AT-cut]
Storage temperature range:-40°C~+85℃
Operating temperature range:-20°C-+70℃,-40℃~+85℃
Frequency temperature characteristics(Ref. to +25°C):±50x10-6
Frequency tolerance(at +25°C):±30x10-6
Equivalent series resistance:Please Refer to the Following ESR Table
Load capacitance:series, 16pF, 20pF, 30pF
Shunt capacitance:5pF max.
Level of drive:10μW (100μW max.)
Technical Documents
Please contact us for more information.
DIP Crystal Resonator:RHTNYC49S